Cotter pins, or split pins, are bent to insert into the holes of clevis pins and other fasteners to secure the fastener system.
Types of Cotter Pins Available:
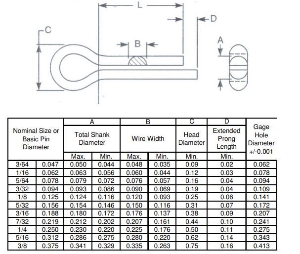
Steel, Brass and Stainless Steel Cotter Pin

Hairpin Cotter Pin or R Pin


Strong-Hold Hairpin Cotter Pin
Hairpin Clips
Locking Cotter Pin
Bow Tie Cotter Pin
Hammelock Cotter Pin
Cotter Ring
We can supply metric DIN94 Cotter Pin, DIN 11024 Single Spring Cotter Pin, DIN 11024 Double Spring Cotter Pin made with steel, spring steel, stainless steel and brass etc.
Cotter pins, or split pins, are bent to insert into the holes of clevis pins and other fasteners to secure the fastener system.
Types of Cotter Pins Available:
Steel, Brass and Stainless Steel Cotter Pin

Hairpin Cotter Pin or R Pin


Strong-Hold Hairpin Cotter Pin
Hairpin Clips
Locking Cotter Pin
Bow Tie Cotter Pin
Hammelock Cotter Pin
Cotter Ring
We can supply metric DIN94 Cotter Pin, DIN 11024 Single Spring Cotter Pin, DIN 11024 Double Spring Cotter Pin made with steel, spring steel, stainless steel and brass etc.
Tel:+86-15188885312
Fax :+86-0310-6726986
Mobile:+86-15188885312
E-mail: admin@penganfastener.com
Whatsapp: +86-15188885312